Export Office: 21Floor, No.5 Nanhai Zhi Road,Qingdao, Shandong ,China
Work Shop: Beian Industrial zone, Qingdao,Shandong,China
+86 532 88550858
Martin
Inquiry now
Size: 1/8"-4" threaded and socket weld type
Pressure:
Socket weled : 3000LB 6000LB 9000LB (sch80 sch160 xxs)
Threaded : 2000LB 3000LB 6000LBS (sch80 sch160 xxs)
Conection: Thread (NPT, BSP,RP, G) ,Socket Welding
Type: Elbow, Tee, nipple, full coupling, half coupling, lateral, cross,cap, plug, hex head nipple, swage nipple, union, weldolet, sockolet, threadolet, nipolet, elbolet, latrolet etc.
Standard: ANSI B16.11,EN10241, BS3799,JIS B2316,MSS SP-83,MSS SP-79;
Material: Stainless steel, Carbon steel and Duplex stainless steel


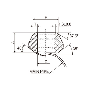
Butt Weld Outlet Dimension
| Out-Let | Reducing Way | ||||
| Pipe | A | C | F | T | |
| NPS | Standard | Extra | |||
| Weight | Strong | ||||
| 1/8" | 16 | 13.7 | 10.3 | 1.73 | 2.41 |
| 1/4" | 16 | 13.7 | 13.7 | 2.24 | 3.02 |
| 3/8" | 19 | 17.1 | 17.1 | 2.31 | 3.2 |
| 1/2" | 19 | 21.3 | 21.3 | 2.77 | 3.73 |
| 3/4" | 22 | 26.7 | 26.7 | 2.87 | 3.91 |
| 1" | 27 | 33.4 | 33.4 | 3.38 | 4.55 |
| 1-1/4" | 32 | 42.2 | 42.2 | 3.56 | 4.85 |
| 1-1/2" | 33 | 48.3 | 48.3 | 3.68 | 5.08 |
| 2" | 38 | 60.3 | 60.3 | 3.91 | 5.54 |
| 2-1/2" | 41 | 73 | 73 | 5.16 | 7.01 |
| 3" | 44 | 88.9 | 88.9 | 5.49 | 7.62 |
| 3-1/2" | 48 | 101.6 | 101.6 | 5.74 | 8.56 |
| 4" | 51 | 114.3 | 114.3 | 6.02 | 8.56 |
| 5" | 57 | 141.3 | 141.3 | 6.55 | 9.53 |
| 6" | 78 | 168.3 | 168.3 | 7.11 | 10.97 |
| 8" | 99 | 219.3 | 219.3 | 8.11 | 12.7 |
| 10" | 94 | 273.1 | 273.1 | 9.27 | 12.7 |
| 12" | 103 | 323.9 | 323.9 | 9.53 | 12.7 |
| 14" | 100 | 355.6 | 355.6 | 9.53 | 12.7 |
| 16" | 106 | 406.4 | 406.4 | 9.53 | 12.7 |
| 18" | 111 | 457.2 | 457.2 | 9.53 | 12.7 |
| 20" | 119 | 508 | 508 | 9.53 | 12.7 |
| 24" | 140 | 609.6 | 609.6 | 9.53 | 12.7 |


| Out-Let | Staight Way | ||||
| Pipe | A | C | F | T | |
| NPS | Standard | Extra | |||
| Weight | Strong | ||||
| 1/8" | --- | --- | --- | --- | --- |
| 1/4" | 16 | 11.5 | 13.7 | 2.24 | 3.02 |
| 3/8" | 19 | 14.5 | 17.1 | 2.31 | 3.2 |
| 1/2" | 19 | 16.5 | 21.3 | 2.77 | 3.73 |
| 3/4" | 22 | 21.5 | 26.7 | 2.87 | 3.91 |
| 1" | 27 | 27.2 | 33.4 | 3.38 | 4.55 |
| 1-1/4" | 32 | 36 | 42.2 | 3.56 | 4.85 |
| 1-1/2" | 33 | 42 | 48.3 | 3.68 | 5.08 |
| 2" | 38 | 53 | 60.3 | 3.91 | 5.54 |
| 2-1/2" | 41 | 65 | 73 | 5.16 | 7.01 |
| 3" | 44 | 80 | 88.9 | 5.49 | 7.62 |
| 3-1/2" | --- | --- | --- | --- | --- |
| 4" | 51 | 104 | 114.3 | 6.02 | 8.56 |
(1) Dimensions in Millimeters.
(2) Weld Bevel in accordance with ASME B16.25
(3) Outside size 4 and less fit a number of run pipe sizes and the fitting are marked accordingly.
(4) Outside size 5 and up order to specific size combination.
Dimensional tolerance of MSS-SP97
| Item | 1/8"to3/4" | 1"to4" | 5"to12" | 14"to24 | |
| Face of fitting to crotch(A) | ±0.76 | ±1.52 | ±3.05 | ±4.83 | |
Export Office: 21Floor, No.5 Nanhai Zhi Road,Qingdao, Shandong ,China
Work Shop: Beian Industrial zone, Qingdao,Shandong,China
+86 532 88550858
Martin
© 2020 Qingdao Fluido Industrial Co.,Ltd. All Rights Reserved. Qingdao fluido valve